HYPERION-G-HE
高能量脉宽压缩器

最大单脉冲能量2mJ 满足高能量激光需求。

脉冲压缩效果提升时间分辨率 5-10倍

光谱展宽技术有效压缩脉冲宽度。

高品质光学器件与创新腔型设计降低传输损耗

实时监测系统精准监控激光脉冲的光斑质量

强抗干扰能力适应复杂实验环境

长寿命设计适合高强度长期使用

轻量化结构确保设备稳定性和便捷操作。

HYPERION-G-HE系列非线性脉宽压缩器是我们基于最新非线性光学技术的升级产品,专为高单脉冲能量应用而设计,能够在高功率激光系统中实现卓越的脉冲压缩效果。该系列压缩器通过光谱展宽技术将输入激光脉冲的脉宽有效压缩,从而提升时间分辨率和激光系统的整体性能。经过优化升级的HYPERION-G-HE能够兼容最大2mJ的单脉冲能量,适用于高能量超快激光器,尤其在Yb激光系统中表现出色。
HYPERION-G-HE采用高质量飞秒光学器件和创新的腔型设计,以确保最低的传输损耗和最佳的脉冲压缩效率。其内置的自动监测系统能够实时监测激光脉冲的光斑质量(近场和远场),并自动调整参数以保证输出激光脉冲的稳定性。无论是在科研领域还是工业应用中,HYPERION-G-HE都能为用户提供高精度的脉冲压缩和高稳定性输出,极大地提高了激光系统的性能。
此系列压缩器不仅在性能上有显著的提升,还具备抗干扰能力强、使用寿命长等特点,能够满足长时间、高强度的工作需求。HYPERION-G-HE是现代超快激光技术中不可或缺的高效工具,为精密制造、材料加工、超快光学实验等领域提供强大的技术支持。

参数/型号 HYPERION-G-HE
入射脉冲脉宽 150fs - 1ps
入射脉冲能量 400 - 2000μJ
入射激光中心波长 1036 ± 5nm
最大兼容功率 80W
典型压缩倍数 5 - 10
压缩器效率 >90%
典型输出脉冲宽度 <35fs
兼容性 自带近远场光斑和气压监测模块,选配指向稳定和脉宽测量模块
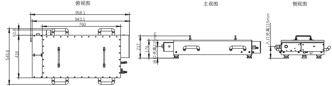
尺寸  958 x 416 x 222 mm (LxWxH)
重量 85kg
其余重量 24kg(水冷机)
供电要求 主机:AC 220V/10A;水冷机:AC 220V/0.6-5.6A/10.2kW(CWUP-10AI)

备注:
可以根据客户需求波段、脉宽等参数要求进行特殊定制。如果您需要更详细的信息或
对此款MPC脉冲压缩器有任何疑问,请随时联系我们的技术支持团队。
*(表中数据只作参考,数据变更恕不另行通知)
产品推荐
HYPERION-G 高能量系列

HYPERION-G 系列是基于非线性技术的脉冲压缩器,可以通过光谱展宽的方式将输入激光脉冲的脉宽进一步压缩。HYPERION-G压缩器采用先进的腔型设计,使用高质量的飞秒光学器件以保证尽可能低的传输...

了解 下载
HYPERION-S 高功率系列

HYPERION-S系列是基于非线性技术的脉冲压缩器,可以通过光谱展宽的方式将输入激光脉冲的脉宽进一步压缩。HYPERION-S压缩器采用先进的腔型设计,使用高质量的飞秒光学器件以保证尽可能低的传输效...

了解 下载